Recommended Products
咨詢熱線:
0519-82518168
電話:18922852877
郵箱:jacky@xbwsemi.com
QQ:523062883
地址:江蘇省常州市金壇區儒林開發區長豐路18號
在電子電路的世界里,MOS 管是一位舉足輕重的器件。MOS 管,全稱金屬-氧化物半導體場效應晶體管,是一種電壓型控制器件。一般情況下,MOS 管的導通,只需要控制柵極的電壓超過其開啟閾值電壓即可,并不需要柵極電流。既然如此,為什么我們經常會看到在 MOSFET 的電路中,柵極前串聯著一個 100Ω 的電阻呢?
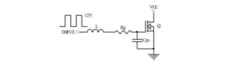
先來看一張常見的 MOS 管驅動電路圖。

在這個電路中,電源為 MOS 管提供工作電壓,柵極電阻就串聯在驅動信號與 MOS 管的柵極之間。
從開關特性的角度來講,在開關狀態下,MOS 管在開啟和關閉的瞬間,會產生一些特殊的情況。MOS 管的驅動電路中存在分布電感,這些電感與 MOS 管自身的寄生電容會形成諧振電路。當驅動信號變化時,對開關驅動信號中的高頻諧波分量產生諧振,進而引起功率管輸出電壓的波動,也就是震蕩波形。如果震蕩過大,不僅會增加 MOS 管的開關損耗,還可能會引起 MOS 管被擊穿,影響整個電路的穩定性和可靠性。
而串聯的 100Ω 電阻此時就發揮了關鍵作用。它可以增大 MOS 管驅動回路中的損耗,穩定電路。
那為什么電阻值選擇 100Ω 呢?這其實是一種綜合權衡的結果。再看另外一張電路圖

如果柵極電阻過小,雖然柵極電壓能快速達到閾值電壓,加速 MOS管開啟,但可能引發高頻震蕩,增加電磁干擾和功耗;如果電阻過大,會減慢柵極電壓變化速率,降低開關速度,增加開關損耗。100Ω 的電阻通常能在保證一定開關速度的同時,有效抑制高頻震蕩,實現開關速度與穩定性、功耗的良好平衡。
此外,MOS 管在實際工作時,雖然是電壓控制,但在柵極電容充電等過程中還是會產生電流。100Ω 電阻可以限制柵極電流大小,減小柵極電容對驅動電路的負載,保護驅動電路不受過大電流的沖擊。
綜上所述,在 MOS 管柵極前串聯一個 100Ω 的電阻,看似簡單,背后卻蘊含著保障電路穩定、平衡性能等諸多重要意義。